Właz okrągły seria B150 (z zamknięciem clamp)
Właz okrągły z zamknięciem zaciskowym clamp B150 produkuje się ze stali nierdzewnych w gatunkach AISI 304 lub AISI 316L. Posiada on szerokie zastosowanie w zbiornikach ze stali nierdzewnej, szczególnie w tych używanych w przemyśle spożywczym, chemicznym, biotechnologicznym oraz pokrewnych.
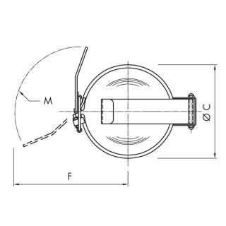
Włazy z serii B150 produkowane są w różnych wymiarach od DN154 do DN495 (szczegóły w zakładce "rysunek i wymiary").
Prosta i solidna konstrukcja zapewnia komfort użytkowania nawet przy częstym otwieraniu/zamykaniu pokrywy. Właz zamyka się przy użyciu opaski zaciskowej (clamp) z zabezpieczeniem w postaci zawleczki, która zapobiega samoczynnemu rozszczelnieniu się pokrywy.
Pokrywa włazu standardowo jest polerowana (na życzenie cała powierzchnia włazu może być polerowana lub satynowana).
Domyślnie włazy z serii B150 posiadają kołnierz (H) o wysokości 100 mm. Dopuszcza się możliwość wydłużenia kołnierza do wysokości nawet 1000 mm na specjalne zamówienie.
Włazy okrągłe seria B150 - zastosowanie
Główny obszar zastosowania włazów to przemysł spożywczy, mleczarski, produkcji napojów i alkoholi. Z dobrym skutkiem używa się ich także w przetwórstwie warzyw i owoców, przemyśle kosmetycznym, biotechnologicznym i chemicznym.
Ze względu na zastosowanie we włazach zamknięcia zaciskowego (clamp), sprawdzą się one również doskonale we wszelkiego rodzaju paletozbiornikach oraz urządzeniach, w których istnieje konieczność częstej i sprawnej inspekcji wnętrza.
Generalnie można montować je wszędzie tam, gdzie na zastosowanie pozwalają parametry użytych do ich konstrukcji materiałów.

Model | DN (ØA) [mm] |
B [mm] |
ØC [mm] |
ØD [mm] |
E [mm] |
F [mm] |
G [mm] |
M [mm] |
N [mm] |
H1 [mm] |
H2 [mm] |
H (tot.) [mm] |
MAX [bar] |
Waga [kg]* |
---|---|---|---|---|---|---|---|---|---|---|---|---|---|---|
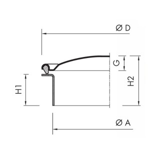
B150 | 154 | 255 | 190 | 182 | 290 | 270 | 20 | 180 | 215 | 50 | 74 | 107 | 4.1/-0.9 | 2.0 |
B210 | 214 | 310 | 255 | 242 | 300 | 320 | 20 | 200 | 270 | 50 | 74 | 90 | 3.0/-0.9 | 2.5 |
B310 | 316 | 420 | 355 | 342 | 490 | 370 | 30 | 210 | 375 | 50 | 84 | 120 | 1.9/-0.9 | 3.0 |
B380 | 386 | 490 | 425 | 412 | 485 | 410 | 42 | 210 | 450 | 50 | 96 | 115 | 1.6/-0.9 | 5.0 |
B420 | 427 | 540 | 485 | 462 | 570 | 440 | 50 | 210 | 490 | 50 | 104 | 115 | 1.4/-0.9 | 6.5 |
B490 | 495 | 610 | 540 | 532 | 575 | 475 | 65 | 210 | 560 | 50 | 119 | 135 | 1.4/-0.9 | 7.0 |
*Dla wykonania standardowego (H1 = 100 mm).
Grubość ścianki ramy (kołnierza): 2 mm
Grubość pokrywy: 1.5 mm
Parametry techniczne
Seria produktowa | Seria B |
---|---|
Kształt | Włazy okrągłe |
Typ | Ciśnieniowe |
Wysokość kołnierza (w mm) | 100-500 mm |
Grubość ścianki kołnierza (w mm) | 2.0 mm |
Sposób otwierania | Na zewnątrz |
Wymiar | poniżej DN300, DN300 - DN500 |
Sposób montażu | w dachu zbiornika |
Ciśnienie | 0.5 - 2.5 bar, 2.51 - 4.5 bar |
Podciśnienie | od -0.51 do -1.0 bar |
Certyfikat PED | nie |
Rodzaj stali | AISI 304/304L, AISI 316/316L |
Materiał uszczelnienia | EPDM, NBR |
Materiał pokrętła | Zamknięcie zaciskowe (clamp) |