Właz okrągły seria B150SC (z zamknięciem clamp)
Właz okrągły z zamknięciem zaciskowym clamp B150SC produkuje się ze stali nierdzewnych w gatunkach AISI 304 lub AISI 316L. Posiada on szerokie zastosowanie w zbiornikach ze stali nierdzewnej, szczególnie w tych używanych w przemyśle spożywczym, chemicznym, biotechnologicznym oraz pokrewnych.
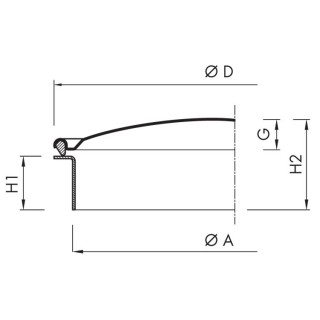
Włazy z serii B150SC produkowane są w różnych wymiarach od DN154 do DN495 (szczegóły w zakładce "rysunek i wymiary").
Cechą charakterystyczną włazów B150SC jest całkowicie zdejmowana pokrywa.
Prosta i solidna konstrukcja zapewnia komfort użytkowania nawet przy częstym otwieraniu/zamykaniu pokrywy. Właz zamyka się przy użyciu opaski zaciskowej (clamp) z zabezpieczeniem w postaci zawleczki, która zapobiega samoczynnemu rozszczelnieniu się pokrywy.
Pokrywa włazu standardowo jest polerowana (na życzenie cała powierzchnia włazu może być polerowana lub satynowana).
Domyślnie włazy z serii B150SC posiadają kołnierz (H) o wysokości 100 mm. Dopuszcza się możliwość wydłużenia kołnierza do wysokości nawet 1000 mm na specjalne zamówienie.
Włazy okrągłe seria B150SC - zastosowanie
Główny obszar zastosowania włazów to przemysł spożywczy, mleczarski, produkcji napojów i alkoholi. Z dobrym skutkiem używa się ich także w przetwórstwie warzyw i owoców, przemyśle kosmetycznym, biotechnologicznym i chemicznym.
Ze względu na zastosowanie we włazach zamknięcia zaciskowego (clamp), sprawdzą się one również doskonale we wszelkiego rodzaju paletozbiornikach oraz urządzeniach, w których istnieje konieczność częstej i sprawnej inspekcji wnętrza.
Generalnie można montować je wszędzie tam, gdzie na zastosowanie pozwalają parametry użytych do ich konstrukcji materiałów.

Model | DN (ØA) [mm] |
B [mm] |
ØC [mm] |
ØD [mm] |
F [mm] |
G [mm] |
M [mm] |
H1 [mm] |
H2 [mm] |
MAX [bar] |
Waga [kg]* |
---|---|---|---|---|---|---|---|---|---|---|---|
B150SC | 154 | 190 | 190 | 182 | 270 | 20 | 180 | 50 | 74 | 4.1/-0.9 | 1.5 |
B210SC | 214 | 255 | 255 | 242 | 320 | 20 | 200 | 50 | 74 | 3.0/-0.9 | 2.0 |
B310SC | 316 | 355 | 355 | 342 | 370 | 30 | 210 | 50 | 84 | 1.9/-0.9 | 2.5 |
B380SC | 386 | 425 | 425 | 412 | 410 | 42 | 210 | 50 | 96 | 1.6/-0.9 | 4.0 |
B420SC | 427 | 485 | 485 | 462 | 440 | 50 | 210 | 50 | 104 | 1.4/-0.9 | 5.0 |
B490SC | 495 | 540 | 540 | 532 | 475 | 65 | 210 | 50 | 119 | 1.4/-0.9 | 6.0 |
*Dla wykonania standardowego (H1 = 100 mm).
Grubość ścianki ramy (kołnierza): 2 mm
Grubość pokrywy: 1.5 mm
Parametry techniczne
Seria produktowa | Seria B |
---|---|
Kształt | Włazy okrągłe |
Typ | Ciśnieniowe |
Wysokość kołnierza (w mm) | 100-500 mm |
Grubość ścianki kołnierza (w mm) | 2.0 mm |
Sposób otwierania | Na zewnątrz |
Branża | Chemia, Produkcja spożywcza |
Wymiar | poniżej DN300, DN300 - DN500 |
Sposób montażu | w dachu zbiornika |
Ciśnienie | 0.5 - 2.5 bar, 2.51 - 4.5 bar |
Podciśnienie | od -0.51 do -1.0 bar |
Certyfikat PED | nie |
Rodzaj stali | AISI 304/304L, AISI 316/316L |
Materiał uszczelnienia | EPDM, NBR |
Materiał pokrętła | Zamknięcie zaciskowe (clamp) |