Włazy okrągłe o dużej średnicy seria B600 (z zamknięciem clamp)
Włazy okrągły clamp z serii B600 produkowane są w zakresie średnic od 606 mm do 1406 mm. Konstrukcja włazu – w zależności od wersji wykonania – zapewnia możliwość montażu zarówno w dachach dużych zbiorników nierdzewnych, jak i w dachach silosów cementowych.
Specjalny zawias umożliwia uniesienie pokrywy oraz jej przesunięcie na bok.
Dodatkowo (na życzenie), właz wyposaża się w dodatkowe elementy, takie jak:
- krata zabezpieczająca (przed wpadnięciem do urządzenia większych przedmiotów),
- dwudrogowy zawór odpowietrzający,
- dodatkowy właz o mniejszej średnicy (montowany w pokrywie).
Włazy tego typu produkuje się ze stali nierdzewnej w gatunku AISI 316. Posiadają one szerokie zastosowanie w zbiornikach ze stali nierdzewnej, szczególnie w tych używanych w przemyśle spożywczym, chemicznym, biotechnologicznym oraz pokrewnych.
Prosta i solidna konstrukcja zapewnia komfort użytkowania nawet przy częstym otwieraniu/zamykaniu pokrywy. Właz zamyka się przy użyciu opaski zaciskowej (clamp) z zabezpieczeniem w postaci zawleczki, która zapobiega samoczynnemu rozszczelnieniu się pokrywy.
Pokrywa włazu standardowo jest szlifowana (na życzenie cała powierzchnia włazu może być polerowana).
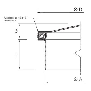
Domyślnie włazy z serii B600 posiadają kołnierz (H) o wysokości 100 mm. Dopuszcza się możliwość wydłużenia kołnierza do wysokości nawet 1000 mm na specjalne zamówienie.
Włazy okrągłe seria B600 - zastosowanie
Główny obszar zastosowania włazów to przemysł spożywczy, mleczarski, produkcji napojów i alkoholi. Z dobrym skutkiem używa się ich także w przetwórstwie warzyw i owoców, przemyśle kosmetycznym, biotechnologicznym i chemicznym.
Wyjątkowo duża średnica włazów z serii B600 (aż do 1406 mm) pozwala na zastosowanie ich w urządzeniach, gdzie niejednokrotnie konieczny jest komfortowy dostęp obsługi serwisowej do wnętrza zbiornika.
Generalnie można montować je wszędzie tam, gdzie na zastosowanie pozwalają parametry użytych do ich konstrukcji materiałów.

Model | DN (ØA) [mm] |
B [mm] |
ØC [mm] |
ØD [mm] |
F [mm] |
G [mm] |
M [mm] |
N [mm] |
H1 [mm] |
H (tot.) [mm] |
MAX [bar] |
Waga [kg]* |
---|---|---|---|---|---|---|---|---|---|---|---|---|
B600 | 606 | 740 | 675 | 660 | 400 | 75/90 | 275 | 750 | 100/1000 | 190 | 0.1 | 24.0 |
B700 | 706 | 840 | 775 | 760 | 500 | 75/90 | 275 | 850 | 100/1000 | 200 | 0.1 | 25.0 |
B800 | 806 | 940 | 875 | 860 | 600 | 75/90 | 275 | 950 | 100/1000 | 200 | 0.1 | 28.0 |
B900 | 906 | 1040 | 975 | 960 | 700 | 75/90 | 275 | 1050 | 100/1000 | 200 | 0.1 | 35.0 |
B1000 | 1006 | 1140 | 1075 | 1060 | 800 | 75/90 | 275 | 1150 | 100/1000 | 200 | 0.1 | 41.0 |
B1100 | 1106 | 1240 | 1175 | 1160 | 900 | 75/90 | 275 | 1250 | 100/1000 | 200 | 0.1 | 47.0 |
B1200 | 1206 | 1340 | 1275 | 1260 | 1000 | 75/90 | 275 | 1350 | 100/1000 | 200 | 0.1 | 52.0 |
B1300 | 1306 | 1440 | 1375 | 1360 | 1100 | 75/90 | 275 | 1450 | 100/1000 | 200 | 0.1 | 59.0 |
B1400 | 1406 | 1540 | 1475 | 1460 | 1200 | 75/90 | 275 | 1550 | 100/1000 | 200 | 0.1 | 60.0 |
*Dla wykonania standardowego (H1 = 100 mm).
Grubość ścianki ramy (kołnierza): 3 mm
Grubość pokrywy: 2 mm
Grubość materiału zacisku (clamp): 2.5 mm
Parametry techniczne
Kształt | Włazy okrągłe |
---|---|
Typ | Bezciśnieniowe |
Wysokość kołnierza (w mm) | 100-500 mm |
Grubość ścianki kołnierza (w mm) | 3.0 mm |
Sposób otwierania | Na zewnątrz |
Wymiar | DN501 - DN700, powyżej DN700 |
Sposób montażu | w dachu zbiornika |
Ciśnienie | poniżej 0.5 bar |
Podciśnienie | nie dotyczy |
Certyfikat PED | nie |
Rodzaj stali | AISI 316/316L |
Materiał uszczelnienia | EPDM, NBR |
Materiał pokrętła | Zamknięcie zaciskowe (clamp) |