Właz okrągły seria BP405 (z zamknięciem clamp)
Właz okrągły Clamp BP405 produkuje się ze stali nierdzewnych w gatunkach AISI 304 lub AISI 316L. Posiada on szerokie zastosowanie w zbiornikach ze stali nierdzewnej, szczególnie w tych używanych w przemyśle spożywczym, chemicznym, biotechnologicznym oraz pokrewnych.
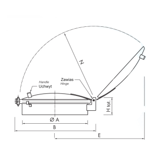
Prosta i solidna konstrukcja zapewnia komfort użytkowania nawet przy częstym otwieraniu/zamykaniu pokrywy. Właz zamyka się przy użyciu opaski zaciskowej (clamp) z zabezpieczeniem w postaci zawleczki, która zapobiega samoczynnemu rozszczelnieniu się pokrywy.
Właz produkowany jest w dwóch wersjach:
- BP405 (wesja z zawiasem),
- BP405SC (wersja bez zawiasu).
Pokrywa włazu standardowo jest polerowana (na życzenie cała powierzchnia włazu może być polerowana lub satynowana).
Domyślnie włazy BP405 i BP405SC posiadają kołnierz (H) o wysokości 100 mm. Dopuszcza się możliwość wydłużenia kołnierza do wysokości nawet 1000 mm na specjalne zamówienie.
Właz okrągły seria BP405 i BP405SC - zastosowanie
Główny obszar zastosowania włazu to przemysł spożywczy, mleczarski, produkcji napojów i alkoholi. Z dobrym skutkiem używa się ich także w przetwórstwie warzyw i owoców, przemyśle kosmetycznym, biotechnologicznym i chemicznym.
Ze względu na zastosowanie we włazie zamknięcia zaciskowego (clamp), sprawdzi się on również doskonale we wszelkiego rodzaju paletozbiornikach oraz urządzeniach, w których istnieje konieczność częstej i sprawnej inspekcji wnętrza.
Generalnie można montować go wszędzie tam, gdzie na zastosowanie pozwalają parametry użytych do jego konstrukcji materiałów.

Model | DN (ØA) [mm] |
B [mm] |
ØC [mm] |
ØD [mm] |
E [mm] |
F [mm] |
G [mm] |
M [mm] |
N [mm] |
H1 [mm] |
H2 [mm] |
H (tot.) [mm] |
MAX [bar] |
Waga [kg]* |
---|---|---|---|---|---|---|---|---|---|---|---|---|---|---|
BP405 | 410 | 540 | 465 | 457 | 580 | 490 | 60 | 260 | 500 | 100 | 160 | 110 | 0.25 | 11.0 |
BP405SC | 410 | - | 465 | 457 | - | 490 | 60 | 260 | - | 100 | 160 | - | 0.25 | 10.0 |
*Dla wykonania standardowego (H1 = 100 mm).
Grubość ścianki ramy (kołnierza): 3 mm
Grubość pokrywy: 2 mm
Parametry techniczne
Seria produktowa | Seria B |
---|---|
Kształt | Włazy okrągłe |
Typ | Bezciśnieniowe |
Wysokość kołnierza (w mm) | 100-500 mm |
Grubość ścianki kołnierza (w mm) | 3.0 mm |
Sposób otwierania | Na zewnątrz |
Wymiar | DN300 - DN500 |
Sposób montażu | w dachu zbiornika |
Ciśnienie | poniżej 0.5 bar |
Podciśnienie | nie dotyczy |
Certyfikat PED | nie |
Rodzaj stali | AISI 304/304L, AISI 316/316L |
Materiał uszczelnienia | EPDM, NBR |
Materiał pokrętła | Zamknięcie zaciskowe (clamp) |