Właz okrągły seria BP420-490 (z zamknięciem clamp)
Włazy okrągłe Clamp BP420 (DN427) oraz BP490 (DN495) produkowane są ze stali nierdzewnych w gatunkach AISI 304 lub AISI 316L. Posiadają one szerokie zastosowanie w zbiornikach ze stali nierdzewnej, szczególnie w tych używanych w przemyśle spożywczym, chemicznym, biotechnologicznym oraz pokrewnych.
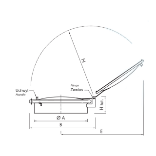
Włazy z tej serii zamykane są przy użyciu opaski zaciskowej (clamp) z zabezpieczeniem w postaci zawleczki, która zapobiega samoczynnemu rozszczelnieniu się pokrywy.
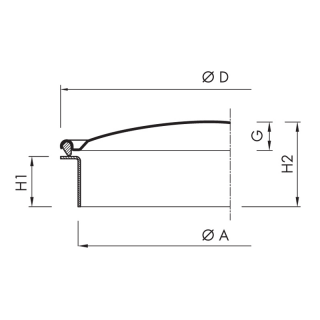
Pokrywy włazów standardowo są polerowane (na życzenie cała powierzchnia może być polerowana lub satynowana).
Domyślnie włazy BP420 i BP490 posiadają kołnierz (H) o wysokości 100 mm. Dopuszcza się możliwość wydłużenia kołnierza do wysokości nawet 1000 mm na specjalne zamówienie.
Włazy okrągłe seria BP420 i BP490 - zastosowanie
Głównym obszarem zastosowania włazów to przemysł spożywczy, mleczarski, produkcji napojów i alkoholi. Z dobrym skutkiem używa się ich także w przetwórstwie warzyw i owoców, przemyśle kosmetycznym, biotechnologicznym i chemicznym.
Ze względu na zastosowanie we włazach zamknięcia zaciskowego (clamp), sprawdzą się one również doskonale we wszelkiego rodzaju paletozbiornikach oraz urządzeniach, w których istnieje konieczność częstej i sprawnej inspekcji wnętrza.
Generalnie można montować je wszędzie tam, gdzie na zastosowanie pozwalają parametry użytych do ich konstrukcji materiałów.

Model | ØA [mm] |
B [mm] |
ØC [mm] |
ØD [mm] |
E [mm] |
F [mm] |
G [mm] |
M [mm] |
N [mm] |
H1 [mm] |
H2 [mm] |
Htot [mm] |
MAX [bar] |
Waga [kg]* |
---|---|---|---|---|---|---|---|---|---|---|---|---|---|---|
BP420 | 427 | 540 | 485 | 462 | 570 | 440 | 50 | 210 | 490 | 50 | 104 | 115 | 1.4/-0.9 | 8.0 |
BP490 | 495 | 610 | 540 | 532 | 575 | 475 | 65 | 210 | 560 | 50 | 119 | 135 | 1.4/-0.9 | 10.0 |
*Dla wykonania standardowego (H1 = 100 mm).
Grubość ścianki ramy (kołnierza): 3 mm
Grubość pokrywy: 2 mm
Parametry techniczne
Seria produktowa | Seria B |
---|---|
Kształt | Włazy okrągłe |
Typ | Ciśnieniowe |
Wysokość kołnierza (w mm) | 100-500 mm |
Grubość ścianki kołnierza (w mm) | 3.0 mm |
Sposób otwierania | Na zewnątrz |
Branża | Chemia, Produkcja spożywcza |
Wymiar | DN300 - DN500 |
Sposób montażu | w dachu zbiornika |
Ciśnienie | 0.5 - 2.5 bar |
Podciśnienie | od -0.51 do -1.0 bar |
Certyfikat PED | nie |
Rodzaj stali | AISI 304/304L, AISI 316/316L |
Materiał uszczelnienia | EPDM, NBR |
Materiał pokrętła | Zamknięcie zaciskowe (clamp) |