K-MC (DN600-DN800)

  • Ciśnienie do 6.0 bar (w zależności od wersji)
  • Montaż w bocznym poszyciu zbiornika ciśnieniowego
  • Otwierany do wewnątrz
  • Wykonany ze stali nierdzewnej AISI 316Ti (części zewnętrzne: AISI 304/AISI 321, aluminium)
  • Materiał uszczelki: NBR lub Viton
  • Dostępne średnice: DN600 / DN800

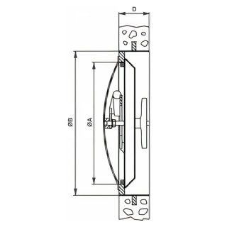
Właz okrągły nierdzewny ciśnieniowy K-MC (otwierany do wewnątrz)

Właz ciśnieniowy K-MC (produkowany w werjach DN600 oraz DN800) to specyficzna konstrukcja, która powstała z myślą o zastosowaniu w stalowych lub cementowych zbiornikach na wodę.

 

Dostępne są wersje dla dwóch zakresów ciśnienia:

  • do 35 mH2O,
  • do 60 mH2O.

Co istotne, wszystkie elementy włazu mające bezpośredni kontakt z medium roboczym, wykonuje się ze stali kwasoodpornej w gatunku AISI 316Ti (1.4571). Takie rozwiązanie znacząco poszerza możliwości użycia włazu w aplikacjach wymagających odporności na korozyjne oddziaływanie wielu substancji chemicznych lub organicznych.

 

W zależności od wersji właz można z powodzeniem montować zarówno w pozycji horyzontalnej, jak i wertykalnej. Co więcej, kołnierz włazu okrągłego (w razie potrzeby) kształtuje się podczas produkcji w taki sposób, aby nadawał się do zabudowy na powierzchni płaskiej lub wypukłej.

Właz okrągły K-MC - zastosowanie

Głównym obszarem zastosowania dla włazów wchodzących w skład niniejszej serii są:

  • zbiorniki nierdzewne oraz cementowe,
  • komory używane w warunkach przemysłowych,
  • wszelkiego rodzaju urządzenia procesowe.

Dzięki dużemu otworowi, który powstaje po otwarciu pokrywy, właz ciśnieniowy K-MC (DN600/DN800) zapewnia bezpieczny dostęp do wnętrza zbiornika lub urządzenia dla służb technicznych.

Model ØA (DN)
[mm]
ØB
[mm]
C
[mm]
Waga
[kg]
MAX
[bar]
K-MC600-210 600 708 210 ~60 3.5
K-MC600-240 600 708 240 ~67 6.0
K-MC800-250 800 908 250 ~76 3.5
K-MC800-270 800 908 270 ~92 6.0

*W przypadku zamówienia wersji przeznaczonej do montażu w podłożu cementowym należy zdefiniować wymiar "D". 

Parametry techniczne

Seria produktowaSeria K
KształtWłazy okrągłe
Wysokość kołnierza (w mm)150 mm
Grubość ścianki kołnierza (w mm)4.0 mm
Sposób otwieraniaDo wewnątrz
WymiarDN501 - DN700, powyżej DN700
Sposób montażuw poszyciu (na boku) zbiornika
Ciśnienie2.51 - 4.5 bar, 4.51 - 6.5 bar
Podciśnienienie dotyczy
Certyfikat PEDnie
Rodzaj staliInny
Materiał uszczelnieniaNBR, Viton
Materiał pokrętłaInny

Używamy cookies

Używamy plików cookies aby ułatwić Ci korzystanie z naszych stron www, do celów statystycznych oraz reklamowych. Jeśli nie blokujesz tych plików, to zgadzasz się na ich użycie oraz zapisanie w pamięci Twojego urządzenia. Pamiętaj, że możesz samodzielnie zmienić ustawienia przeglądarki tak, aby zablokować zapisywanie plików cookies. Więcej informacji znajdziesz w naszej polityce prywatności.
skontaktuj się z nami