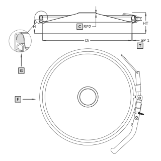
Właz okrągły seria A550 (z zamknięciem clamp)
Właz okrągły seria A550 wykonuje się w całości ze stali nierdzewnej AISI 304 lub AISI 316L. Model ten montuje się w górnej części zbiornika nierdzewnego. Pokrywę włazu okrągłego serii A550 mocuje się za pomocą obejmy zaciskowej (zamknięcie typu Clamp). Zwolnienie zacisku Clamp oraz usunięciu obejmy mocującej, pozwala w efekcie na całkowite zdjęcie pokrywy.
Dostępny jest spory zakres wysokości kołnierzy montażowych, w związku z tym właz z łatwością zabudowuje się w zbiornikach nierdzewnych izolowanych. Okrągłe włazy clamp z tej serii montuje się w zbiornikach nierdzewnych przeznaczonych do przechowywania różnego rodzaju produktów i surowców płynnych.
Właz okrągły seria A550 - zastosowanie
Główny obszar zastosowania włazu to przemysł spożywczy, mleczarski, produkcji napojów i alkoholi. Z dobrym skutkiem używa się ich także w przetwórstwie warzyw i owoców, przemyśle kosmetycznym, biotechnologicznym i chemicznym.
Generalnie można montować go wszędzie tam, gdzie na zastosowanie pozwalają parametry użytych do jego konstrukcji materiałów.

Model | DN [mm] | Di [mm] | HxSP1 [mm] | HT [mm]* | SP2 [mm] | MAX [bar]* | Waga [kg] |
---|---|---|---|---|---|---|---|
A550 | 300 | 295 |
60x2** 100x2 150x2 200x2 250x2 |
80 | 1.0 | 1.8 | 4.0 |
A552 | 400 | 395 | 80 | 1.2 | 1.8 | 5.0 | |
A554 | 500 | 500 | 85 | 1.2 | 1.3 | 6.5 | |
A555 | 600 | 600 | 85 | 1.5 | 1.0 | 8.0 |
*Dla wykonania standardowego (HxSP1 = 60x2 mm).
**Wykonanie standardowe.
Parametry techniczne
Seria produktowa | Seria A |
---|---|
Kształt | Włazy okrągłe |
Typ | Ciśnieniowe |
Wysokość kołnierza (w mm) | 60-250 mm |
Grubość ścianki kołnierza (w mm) | 2.0 mm |
Sposób otwierania | Na zewnątrz |
Branża | Chemia, Produkcja spożywcza |
Wymiar | DN300 - DN500, DN501 - DN700 |
Sposób montażu | w dachu zbiornika |
Ciśnienie | 0.5 - 2.5 bar |
Podciśnienie | nie dotyczy |
Certyfikat PED | nie |
Rodzaj stali | AISI 304/304L, AISI 316/316L |
Materiał uszczelnienia | EPDM, NBR, Neopren, Silikon, Viton |
Materiał pokrętła | Zamknięcie zaciskowe (clamp) |