Właz okrągły seria A800
Właz okrągły seria A800 to solidna konstrukcja, którą wykonuje się ze stali nierdzewnej AISI 304/304L lub AISI 316L. Standardowo właz wyposaża się w duże pokrętło dociskające z tworzywa sztucznego. Opcjonalnie dostępne są pokrętła motylkowe INOX 10x10 dla DN300 i 15x15 dla średnic od DN380 do DN420.
Właz tego typu montuje się w bocznym poszyciu zbiornika nierdzewnego. Szczególnie nadaję się on do aplikacji, w których konieczne jest szybkie opróżnienie zbiornika z zawartości.
Model A800 w zależności od średnicy występuje z dwoma rodzajami pokryw. We włazach DN300 montuje się pokrywy gładkie, natomiast w rozmiarach od DN380 do DN420 - pokrywy z przetłoczeniami. W przypadku włazów DN380-DN420 opcjonalnie możliwe jest wykonanie kołnierza z blachy o grubości 8 mm.
Zastosowanie włazu okrągłego nierdzewnego seria A800
Główny obszar zastosowania to:
- produkcja i przetwórstwo żywności,
- przetwórstwo warzyw i owoców,
- produkcja mleczarska.
Generalnie, właz można montować wszędzie tam, gdzie na zastosowanie pozwalają parametry użytych do jego konstrukcji materiałów.


Model | DN [mm] | Di [mm] | HxSP1 [mm] | HT [mm]* | SP2 [mm] | MAX [bar]* | Waga [kg] | |
---|---|---|---|---|---|---|---|---|
A800 | 300 | 295 |
60x2** |
175 | 1.0 | 0.5 | 5.0 | |
A801 | 380 | 375 |
60x2** 100x2 60x8 100x8 |
230 | 1.2 | 0.7 | 7.6 | |
A802 | 400 | 395 | 235 | 1.5 | 0.7 | 8.0 | ||
A803 | 420 | 415 | 245 | 1.5 | 0.7 | 8.2 |
*Dla wykonania standardowego (HxSP1 = 60x2 mm).
**Wykonanie standardowe.
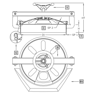
Symbol | Element |
---|---|
V | pokrętło |
C | pokrywa |
G | uszczelka |
T | kołnierz |
BV | spływ |
Parametry techniczne
Seria produktowa | Seria A |
---|---|
Kształt | Włazy okrągłe |
Typ | Ciśnieniowe |
Wysokość kołnierza (w mm) | 60-100 mm |
Grubość ścianki kołnierza (w mm) | 2.0-8.0 mm |
Sposób otwierania | Na zewnątrz |
Wymiar | DN300 - DN500 |
Sposób montażu | w poszyciu (na boku) zbiornika |
Ciśnienie | 0.5 - 2.5 bar |
Podciśnienie | nie dotyczy |
Certyfikat PED | nie |
Rodzaj stali | AISI 304/304L, AISI 316/316L |
Materiał uszczelnienia | EPDM, NBR, Neopren, Silikon, Viton |
Materiał pokrętła | Tworzywo sztuczne, INOX |