Właz okrągły seria A930
Właz okrągły seria A930 to solidna konstrukcja, którą wykonuje się ze stali nierdzewnej AISI 304 lub AISI 316L. Standardowo właz wyposaża się w pokrętło dociskające z tworzywa sztucznego, ale opcjonalnie dostępne są pokrętła INOX i aluminiowe.
Włazy tego typu produkuje się w dwóch wersjach – z uszczelką na ramie (A930) lub z uszczelką w pokrywie (A930B). Właz seria A930 montuje się w dachu zbiornika nierdzewnego. Pokrywa włazu serii A930 otwiera się do góry z możliwością odsunięcia na bok. Gładka, wypukła powierzchnia nie zatrzymuje wody.
Dostępny jest spory zakres wysokości kołnierzy montażowych, w związku z tym właz z łatwością zabudowuje się w zbiornikach nierdzewnych izolowanych.
Zastosowanie włazu okrągłego nierdzewnego seria A930
Główny obszar zastosowania to:
- przemysł spożywczy,
- mleczarski,
- produkcji napojów i alkoholi.
Z dobrym skutkiem używa się go także w przemysłowych urządzeniach bezciśnieniowych niezwiązanych bezpośrednio z produkcją żywności, np. w przemyśle chemicznym czy energetyce.
Generalnie, właz można montować wszędzie tam, gdzie na zastosowanie pozwalają parametry użytych do jego konstrukcji materiałów.

Model | DN [mm] | Di [mm] | HxSP1 [mm] | HT [mm]* | SP2 [mm] | MAX [bar]* | Waga [kg] |
---|---|---|---|---|---|---|---|
A929 | 220 | 220 |
60x2** 100x2 150x2 200x2 250x2 |
150 | 1.5 | 0.04 | 3.0 |
A930 | 300 | 295 | 155 | 1.5 | 0.03 | 4.0 | |
A932 | 400 | 395 | 160 | 1.5 | 0.02 | 5.2 | |
A934 | 500 | 500 | 165 | 1.5 | 0.02 | 7.0 | |
A935 | 600 | 600 | 170 | 1.5 | 0.01 | 9.5 | |
A928B | 150 | 150 | 140 | 1.5 | 0.04 | 2.3 | |
A929B | 220 | 220 | 145 | 1.5 | 0.04 | 3.5 | |
A930B | 300 | 295 | 150 | 1.5 | 0.03 | 4.3 | |
A932B | 400 | 395 | 155 | 1.5 | 0.02 | 6.0 | |
A934B | 500 | 500 | 160 | 1.5 | 0.02 | 7.7 | |
A935B | 600 | 600 | 165 | 1.5 | 0.01 | 10.3 |
*Dla wykonania standardowego (HxSP1 = 60x2 mm).
**Wykonanie standardowe.
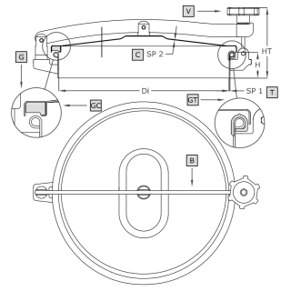
Symbol | Element |
---|---|
V | pokrętło |
C | pokrywa |
T | kołnierz |
B | ramię |
GC | uszczelka w pokrywie |
GT | uszczelka w ramie |
Parametry techniczne
Seria produktowa | Seria A |
---|---|
Kształt | Włazy okrągłe |
Typ | Bezciśnieniowe |
Wysokość kołnierza (w mm) | 60-250 mm |
Grubość ścianki kołnierza (w mm) | 2.0 mm |
Sposób otwierania | Na zewnątrz |
Wymiar | poniżej DN300, DN300 - DN500, DN501 - DN700 |
Sposób montażu | w dachu zbiornika |
Ciśnienie | poniżej 0.5 bar |
Podciśnienie | nie dotyczy |
Certyfikat PED | nie |
Rodzaj stali | AISI 304/304L, AISI 316/316L |
Materiał uszczelnienia | EPDM, NBR, Neopren, Silikon, Viton |
Materiał pokrętła | Tworzywo sztuczne, INOX |