Właz okrągły nierdzewny BV430
Właz okrągły BV430 to konstrukcja, którą wykonuje się ze stali nierdzewnej AISI 304 lub AISI 316L. Standardowo właz wyposaża się w pokrętło dociskające z tworzywa sztucznego, jednak opcjonalnie dostępne są pokrętła INOX.
Pokrywa włazu umieszczona jest na pojedynczym zawiasie, co umożliwia jej prostopadłe odchylenie. Otwieranie i zamykanie odbywa się przy pomocy pokrętła dociskającego.
Wypukła pokrywa dodatkowo zapobiega osadzaniu się wody oraz zanieczyszczeń na powierzchni włazu.
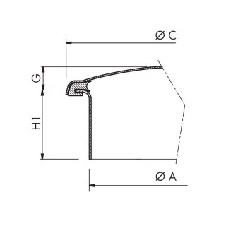
Włazy z serii BV430 posiadają kołnierze (H) o wysokości 100 mm.
Włazy okrągłe seria BV430 - zastosowanie
Główny obszar zastosowania włazów to przemysł spożywczy, mleczarski, produkcji napojów i alkoholi. Z dobrym skutkiem używa się ich także w przetwórstwie warzyw i owoców, przemyśle kosmetycznym i biotechnologicznym.
Mogą być instalowane również w przemysłowych urządzeniach bezciśnieniowych niezwiązanych bezpośrednio z produkcją żywności, np. w przemyśle chemicznym czy energetyce.

Model | DN (ØA) [mm] |
B [mm] |
ØC [mm] |
D [mm] |
E [mm] |
F [mm] |
G [mm] |
N [mm] |
H1 [mm] |
H (tot.) [mm] |
MAX [bar] |
Waga [kg]* |
---|---|---|---|---|---|---|---|---|---|---|---|---|
BV430 | 435 | 526 | 472 | 170 | 750 | 414 | 64 | 520 | 100 | 215 | 0.1 | 8.0 |
Grubość ścianki ramy (kołnierza): 3 mm
Grubość pokrywy: 2 mm
Parametry techniczne
Seria produktowa | Seria B |
---|---|
Kształt | Włazy okrągłe |
Typ | Bezciśnieniowe |
Wysokość kołnierza (w mm) | 100 mm |
Grubość ścianki kołnierza (w mm) | 3.0 mm |
Sposób otwierania | Na zewnątrz |
Branża | Browarnictwo, Chemia, Mleczarstwo, Produkcja spożywcza, Winiarstwo |
Wymiar | DN300 - DN500 |
Sposób montażu | w dachu zbiornika |
Ciśnienie | poniżej 0.5 bar |
Podciśnienie | nie dotyczy |
Certyfikat PED | nie |
Rodzaj stali | AISI 304/304L, AISI 316/316L |
Materiał uszczelnienia | EPDM, NBR |
Materiał pokrętła | Tworzywo sztuczne, INOX |