Właz owalny nierdzewny Boyer P12-510
Seria obejmuje modele: P12-510, P12-610, P12-810
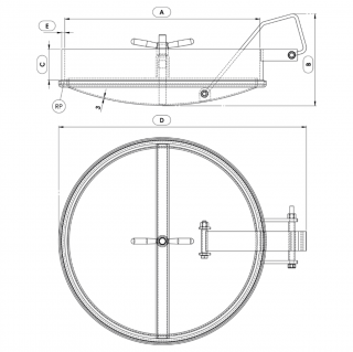
Właz okrągły Boyer P12-510 to właz z serii obejmującej także modele przeznaczone do zabudowy w zbiornikach ciśnieniowych i rektorach. Pokrywę włazu wyposażono w solidny zawias zewnętrzny, którego konstrukcja umożliwia otwarcie pokrywy w kierunku wnętrza zbiornika, a także stabilizację pokrywy w pozycji otwartej. Elementy składowe włazów produkuje się ze stali nierdzewnych w gatunkach AISI 304L i/lub AISI 316L.
Istnieje możliwość wykonania specjalnej wersji włazu do użycia w strefach zagrożonych wybuchem - ATEX dla urządzeń nieelektrycznych.
Właz owalny P12-510 - zastosowanie
Okrągły właz P12-510 montuje się w autoklawach oraz higienicznych urządzeniach procesowych. Głównymi obszarami zastosowania tego modelu włazu są:
- przemysł spożywczy i mleczarski,
- przemysł produkcji napojów i alkoholi,
- przetwórstwo warzyw i owoców.
Ze względu na swoją uniwersalną konstrukcję oraz szeroką gamę dostępnych materiałów uszczelnień, właz ten może być stosowany również w obszarach:
- biotechnologii,
- przemysłu chemicznego,
- przemysłu kosmetycznego oraz zbliżonych.
O produktach Boyer
Produkty francuskiej fabryki Boyer gwarantują najwyższą jakość wykonania oraz długą żywotność. Dbałość o każdy detal w procesie produkcyjnym sprawia, że w efekcie włazy te charakteryzują się niezwykle dużą odpornością, komfortem użytkowania oraz estetycznym wyglądem.
Świetnie sprawdzają się wszędzie tam, gdzie konieczne jest zastosowanie produktu o najwyższych standardach. Z tego też powodu włazy marki Boyer są jednymi z najpopularniejszych w Europie.

Model | A [mm] | C [mm] | E [mm] | B [mm] | D [mm] | MAX [bar] | Waga [kg] |
---|---|---|---|---|---|---|---|
P12-510 | 504 | 80 | 8 | 270 | 639 | 1.0 | 22.0 |
P12-610 | 604 | 80 | 8 | 270 | 739 | 1.0 | 26.0 |
P12-810 | 800 | 80 | 8 | 270 | 894 | 1.0 | 35.0 |
Parametry techniczne
Seria produktowa | Boyer |
---|---|
Kształt | Włazy okrągłe |
Typ | Ciśnieniowe |
Wysokość kołnierza (w mm) | 80 mm |
Grubość ścianki kołnierza (w mm) | 8.0 mm |
Sposób otwierania | Do wewnątrz |
Wymiar | DN501 - DN700, powyżej DN700 |
Sposób montażu | w poszyciu (na boku) zbiornika |
Ciśnienie | 0.5 - 2.5 bar |
Podciśnienie | nie dotyczy |
Certyfikat PED | nie |
Rodzaj stali | AISI 304/304L, AISI 316/316L |
Materiał uszczelnienia | EPDM, NBR, Neopren, Silikon, Silikon (high temperature - do 250°C), Viton, Inny |
Materiał pokrętła | INOX |