Właz okrągły nierdzewny Boyer seria P31-240
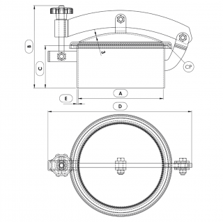
Właz okrągły Boyer P31-240 jest najmniejszym włazem w serii, która obejmuje łącznie pięć pozycji o średnicach w świetle otworu: 200, 300, 430, 499 i 599 mm. Wszystkie włazy z tej serii wyposaża się w uchylną pokrywę ze sworzniem ułatwiającym jej przesunięcie na bok.
Konstrukcja tego typu umożliwia szybki i łatwy dostęp do wnętrza zbiornika. Elementy składowe włazów produkuje się ze stali nierdzewnych w gatunkach AISI 304L i/lub AISI 316L. Zarówno właz okrągły Boyer P31-240, jak i pozostałe modele wchodzące w skład tej serii, należą do grupy bardzo uniwersalnych włazów okrągłych, które szeroko wykorzystuje się w przemyśle spożywczym i pokrewnych.
Włazy okrągłe P31-240 - zastosowanie
Okrągłe włazy z serii P31-240 montuje się w różnego rodzaju bezciśnieniowych zbiornikach i urządzeniach procesowych. Głównymi obszarami zastosowania tego modelu włazu są:
- przemysł spożywczy i mleczarski,
- przemysł produkcji napojów i alkoholi,
- przetwórstwo warzyw i owoców.
Ze względu na swoją uniwersalną konstrukcję oraz szeroką gamę dostępnych materiałów uszczelnień, właz ten może być stosowany również w obszarach:
- biotechnologii,
- przemysłu chemicznego,
- przemysłu kosmetycznego oraz zbliżonych.
O produktach Boyer
Produkty francuskiej fabryki Boyer gwarantują najwyższą jakość wykonania oraz długą żywotność. Dbałość o każdy detal w procesie produkcyjnym sprawia, że w efekcie włazy te charakteryzują się niezwykle dużą odpornością, komfortem użytkowania oraz estetycznym wyglądem.
Świetnie sprawdzają się wszędzie tam, gdzie konieczne jest zastosowanie produktu o najwyższych standardach. Z tego też powodu włazy marki Boyer są jednymi z najpopularniejszych w Europie.

Model | A (DN) [mm] | C [mm] | E [mm] | B [mm] | D [mm] | MAX [bar] | Waga [kg] |
---|---|---|---|---|---|---|---|
P31-240 | 200 | 90 | 2 | 230 | 320 | 0.1 | 4.0 |
P31-340 | 300 | 90 | 2 | 230 | 420 | 0.1 | 5.0 |
P31-440 | 400 | 90 | 2 | 230 | 520 | 0.1 | 8.0 |
P31-540 | 499 | 90 | 2 | 230 | 619 | 0.1 | 9.0 |
P31-640 | 599 | 90 | 2 | 230 | 718 | 0.05 | 11.0 |
Parametry techniczne
Seria produktowa | Boyer |
---|---|
Kształt | Włazy okrągłe |
Typ | Bezciśnieniowe |
Wysokość kołnierza (w mm) | 90 mm |
Grubość ścianki kołnierza (w mm) | 2.0 mm |
Sposób otwierania | Na zewnątrz |
Branża | Chemia, Produkcja spożywcza |
Wymiar | poniżej DN300, DN300 - DN500, DN501 - DN700 |
Sposób montażu | w dachu zbiornika |
Ciśnienie | poniżej 0.5 bar |
Podciśnienie | nie dotyczy |
Certyfikat PED | nie |
Rodzaj stali | AISI 304/304L, AISI 316/316L |
Materiał uszczelnienia | EPDM, NBR, Neopren, Silikon, Silikon (high temperature - do 250°C), Viton, Inny |
Materiał pokrętła | Tworzywo sztuczne, INOX |