Właz owalny A304
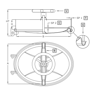
Właz owalny A304 to standardowa konstrukcja przeznaczona do zabudowy w bocznym poszyciu zbiornika. Wewnętrzny zawias umożliwia otwarcie pokrywy do środka zbiornika. Duże pokrętło z tworzywa sztucznego (standard) lub opcjonalne pokrętło motylkowe (INOX) M16, ułatwiają sprawne dociśnięcie pokrywy i uszczelnienie całego zespołu.
Model ten wykonuje się standardowo ze stali nierdzewnej AISI 304/304L, a opcjonalnie ze stali w gatunku AISI 316L. Szeroki zakres elastomerów stosowanych do produkcji uszczelek, pozwala na wykorzystanie włazu do szerokiego spektrum czynników (płynów, cieczy) roboczych.
Zastosowanie włazu owalnego nierdzewnego A304
Główny obszar zastosowania to:
- przemysł spożywczy,
- produkcja napojów i alkoholi,
- przemysł chemiczny i biotechnologiczny.
Z dobrym skutkiem włazu używa się wszędzie tam, gdzie na jego zastosowanie pozwalają parametry użytych do jego konstrukcji materiałów.

Model | A [mm] | B [mm] | HxSP1 [mm] | HT [mm]* | SP2 [mm] | MAX [bar]* | Waga [kg] |
---|---|---|---|---|---|---|---|
A304 | 305 | 430 |
60x6** 80x6 100x6 150x6 |
165 | 1.5 | 1.5 | 7.0 |
A304R | 305 | 430 | 165 | 2.0 | 2.0 | 7.9 |
*Dla wykonania standardowego (HxSP1 = 60x6 mm).
**Wykonanie standardowe.
Symbol | Element |
---|---|
V | pokrętło |
C | pokrywa |
G | uszczelka |
T | kołnierz |
B | ramię |
Parametry techniczne
Seria produktowa | Seria A |
---|---|
Wymiar | M (dłuższy bok włazu między 300-500 mm) |
Kształt | Włazy owalne |
Typ | Ciśnieniowe |
Wysokość kołnierza (w mm) | 60-150 mm |
Grubość ścianki kołnierza (w mm) | 6.0 mm |
Sposób otwierania | Do wewnątrz |
Sposób montażu | w poszyciu (na boku) zbiornika |
Ciśnienie | 0.5 - 2.5 bar |
Podciśnienie | nie dotyczy |
Certyfikat PED | nie |
Rodzaj stali | AISI 304/304L, AISI 316/316L |
Materiał uszczelnienia | EPDM, NBR, Neopren, Silikon, Viton |
Materiał pokrętła | Tworzywo sztuczne, INOX |