Właz owalny A309IG
Właz owalny A309IG, to model o unikalnej konstrukcji, zoptymalizowanej w celu uzyskania higienicznego środowiska pracy w zbiorniku. Zabudowuje się go w poszyciu bocznym zbiorników ciśnieniowych ze stali nierdzewnej przeznaczonych na produkty spożywcze płynne lub sypkie. Pokrywa otwiera się do wewnątrz zbiornika.
W trakcie produkcji właz dogina się do konkretnej średnicy zbiornika, dlatego też produkuje się go na indywidualne zamówienie. Model ten nadaje się do zbiorników o średnicy Ø700 mm i większej.
Higieniczny właz o specjalnej konstrukcji. Odpowiednio dobrane krzywizny, brak elementów włazu wystających wewnątrz zbiornika oraz ręczne wykończenie elementów włazu, eliminują możliwości zanieczyszczenia mikrobiologicznego produktu.
Model ten wykonuje się standardowo ze stali nierdzewnej AISI 304/304L, a opcjonalnie ze stali w gatunku AISI 316L. Szeroki zakres elastomerów stosowanych do produkcji uszczelek, pozwala na wykorzystanie włazu do szerokiego spektrum czynników (płynów, cieczy) roboczych.
Zastosowanie włazu owalnego nierdzewnego A309IG
Główny obszar zastosowania to:
- zbiorniki do przechowywania produktów spożywczych,
- aplikacje wymagające zachowania higieny,
- produkcja napojów, wina i alkoholi,
- przemysł kosmetyczny i biotechnologiczny.
Eliptyczny właz A309IG wykorzystuje się z powodzeniem także w innych aplikacjach, pod warunkiem, że środowisko pracy będzie odpowiednie z uwagi na właściwości użytych do jego konstrukcji materiałów.

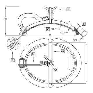
Model | A [mm] | B [mm] | HxSP1 [mm] | HT [mm] | SP2 [mm] | MAX [bar] | Waga [kg] |
---|---|---|---|---|---|---|---|
A309IG | 345 | 445 |
40x8 Ø ≥ 700 mm* |
230 | 4.0 | 3.0 | 14.5 |
*Średnica zbiornika.
Symbol | Element |
---|---|
V | pokrętło |
C | pokrywa |
G | uszczelka |
T | kołnierz |
B1 | ramię poprzeczne |
B2 | ramię pionowe |
Parametry techniczne
Seria produktowa | Seria A |
---|---|
Wymiar | M (dłuższy bok włazu między 300-500 mm) |
Kształt | Włazy owalne |
Typ | Ciśnieniowe |
Wysokość kołnierza (w mm) | 40 mm |
Grubość ścianki kołnierza (w mm) | 8.0 mm |
Sposób otwierania | Do wewnątrz |
Branża | Browarnictwo, Chemia, Farmacja, Mleczarstwo, Produkcja spożywcza, Winiarstwo |
Sposób montażu | w poszyciu (na boku) zbiornika |
Ciśnienie | 2.51 - 4.5 bar |
Podciśnienie | nie dotyczy |
Certyfikat PED | nie |
Rodzaj stali | AISI 304/304L, AISI 316/316L |
Materiał uszczelnienia | EPDM, NBR, Neopren, Silikon, Viton |
Materiał pokrętła | Tworzywo sztuczne, INOX |