Właz owalny nierdzewny A315
Właz owalny A315 do zbiorników ciśnieniowych. Pokrywę włazu mocuje się na zawiasie, dzięki któremu otwiera się ona w kierunku wnętrza zbiornika.
Właz ten zabudowuje się w bocznym poszyciu zbiorników nierdzewnych, zazwyczaj w ich dolnej części. Owalny właz A315 spełnia wymagania dyrektywy ciśnieniowej P.E.D. 2014/68/EU. Dostarcza się go wraz z odpowiednim paszportem, potwierdzającym parametry użytkowe.
Standardowo właz ten wyposaża się w uszczelkę z EPDM przeznaczoną do kontaktu z żywością (FDA). Oprócz uszczelki standardowej dostępne są uszczelki z innych materiałów, co z całą pewnością gwarantuje odporność na oddziaływanie wielu różnorodnych mediów oraz szeroki zakres temperatur roboczych.
Uszczelka umieszczona jest na krawędzi pokrywy. Spory zakres dostępnych wysokości kołnierzy montażowych pozwala z powodzeniem montować właz A315 w zbiornikach ciśnieniowych pokrytych izolacją termiczną.
Zastosowanie włazu owalnego nierdzewnego A315
Główny obszar zastosowania to:
- przemysł spożywczy,
- produkcja napojów i alkoholi,
- przemysł chemiczny i biotechnologiczny,
- ciśnieniowe zbiorniki procesowe.
Z dobrym skutkiem włazu używa się wszędzie tam, gdzie na jego zastosowanie pozwalają parametry użytych do jego konstrukcji materiałów.

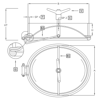
Model | A [mm] | B [mm] | HxSP1 [mm] | HT [mm]* | SP2 [mm] | MAX [bar]* | Waga [kg] |
---|---|---|---|---|---|---|---|
A315 | 400 | 490 |
100x12** 130x12 150x12 200x12 |
290 | 6.0 | 10.0 | 27.0 |
*Dla wykonania standardowego (HxSP1 = 100x12 mm).
**Wykonanie standardowe.
Symbol | Element |
---|---|
V | pokrętło |
C | pokrywa |
G | uszczelka |
T | kołnierz |
B1 | ramię pionowe |
B2 | ramię poprzeczne |
Parametry techniczne
Seria produktowa | Seria A |
---|---|
Wymiar | M (dłuższy bok włazu między 300-500 mm) |
Kształt | Włazy owalne |
Typ | Ciśnieniowe |
Wysokość kołnierza (w mm) | 100-200 mm |
Grubość ścianki kołnierza (w mm) | 12.0 mm |
Sposób otwierania | Do wewnątrz |
Sposób montażu | w poszyciu (na boku) zbiornika |
Ciśnienie | powyżej 8.5 bar |
Podciśnienie | nie dotyczy |
Certyfikat PED | tak |
Materiał uszczelnienia | EPDM, NBR, Silikon, Viton |
Materiał pokrętła | INOX |