Właz owalny nierdzewny A316
Właz owalny A316 otwiera się do wewnątrz zbiornika. Zabudowuje się go w poszyciu bocznym zbiornika ciśnieniowego ze stali nierdzewnej.
W trakcie wytwarzania włazu A316 dogina się go do konkretnej średnicy zbiornika. Dlatego też produkcja tego modelu włazu odbywa się na indywidualne zamówienie. Model ten nadaje się do zbiorników o średnicy Ø900 mm i większej.
Właz A316 wykonuje się standardowo ze stali nierdzewnej AISI 304/304L, a opcjonalnie ze stali w gatunku AISI 316L. Szeroki zakres elastomerów stosowanych do produkcji uszczelek, pozwala na wykorzystanie włazu do szerokiego spektrum czynników (płynów, cieczy) roboczych.
Zastosowanie włazu owalnego nierdzewnego A316
Główny obszar zastosowania to:
- zbiorniki browarnicze,
- przemysł fermentacyjny,
- produkcja napojów, wina i alkoholi,
- przemysł chemiczny i biotechnologiczny.
Eliptyczny właz A316/A316R wykorzystuje się z powodzeniem także w innych aplikacjach, pod warunkiem, że środowisko pracy będzie odpowiednie z uwagi na właściwości użytych do jego konstrukcji materiałów.

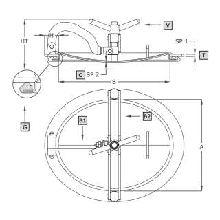
Model | A [mm] | B [mm] | HxSP1 [mm] | HT [mm] | SP2 [mm] | MAX [bar] | Waga [kg] |
---|---|---|---|---|---|---|---|
A316 | 345 | 445 |
40x8 Ø ≥ 900 mm* |
175 | 3.0 | 3.0 | 12.0 |
A316R | 345 | 445 | 175 | 3.5 | 3.5 | 13.0 |
*Średnica zbiornika.
Symbol | Element |
---|---|
V | pokrętło |
C | pokrywa |
G | uszczelka |
T | kołnierz |
B1 | ramię poprzeczne |
B2 | ramię pionowe |
Parametry techniczne
Seria produktowa | Seria A |
---|---|
Wymiar | M (dłuższy bok włazu między 300-500 mm) |
Kształt | Włazy owalne |
Typ | Ciśnieniowe |
Wysokość kołnierza (w mm) | 40 mm |
Grubość ścianki kołnierza (w mm) | 8.0 mm |
Sposób otwierania | Do wewnątrz |
Branża | Browarnictwo, Chemia, Mleczarstwo, Produkcja spożywcza, Winiarstwo |
Sposób montażu | w poszyciu (na boku) zbiornika |
Ciśnienie | 2.51 - 4.5 bar |
Podciśnienie | nie dotyczy |
Certyfikat PED | nie |
Rodzaj stali | AISI 304/304L, AISI 316/316L |
Materiał uszczelnienia | EPDM, NBR, Neopren, Silikon, Viton |
Materiał pokrętła | INOX |