Właz owalny nierdzewny A320
Właz owalny A320 to duża konstrukcja przeznaczona do zabudowy w bocznym poszyciu zbiornika. Zewnętrzny zawias umożliwia otwarcie pokrywy do środka zbiornika. Pokrętło motylkowe ze stali nierdzewnej ułatwia sprawne dociśnięcie pokrywy i uszczelnienie całego zespołu.
Model ten wykonuje się standardowo ze stali nierdzewnej AISI 304/304L, a opcjonalnie ze stali w gatunku AISI 316L. Szeroki zakres elastomerów stosowanych do produkcji uszczelek, pozwala na wykorzystanie włazu w kontakcie z różnymi płynami i cieczami.
Zastosowanie włazu owalnego nierdzewnego A320
Główny obszar zastosowania to:
- przemysł spożywczy,
- produkcja napojów i alkoholi,
- przemysł chemiczny i biotechnologiczny.
Z dobrym skutkiem włazu używa się wszędzie tam, gdzie na jego zastosowanie pozwalają parametry użytych do jego konstrukcji materiałów.

Model | A [mm] | B [mm] | HxSP1 [mm] | HT [mm]* | SP2 [mm] | MAX [bar]* | Waga [kg] |
---|---|---|---|---|---|---|---|
A320 | 460 | 560 |
90x3** 130x3 |
215 | 2.5 | 3.0 | 14.5 |
A320R | 460 | 560 | 215 | 3.0 | 2.0 | 15.5 |
*Dla wykonania standardowego (HxSP1 = 90x3 mm).
**Wykonanie standardowe.
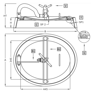
Symbol | Element |
---|---|
V | pokrętło |
C | pokrywa |
G | uszczelka |
T | kołnierz |
B1 | ramię poprzeczne |
B2 | ramię pionowe |
Parametry techniczne
Seria produktowa | Seria A |
---|---|
Wymiar | M (dłuższy bok włazu między 300-500 mm) |
Kształt | Włazy owalne |
Typ | Ciśnieniowe |
Wysokość kołnierza (w mm) | 90-130 mm |
Grubość ścianki kołnierza (w mm) | 3.0 mm |
Sposób otwierania | Do wewnątrz |
Branża | Browarnictwo, Chemia, Mleczarstwo, Produkcja spożywcza, Winiarstwo |
Sposób montażu | w poszyciu (na boku) zbiornika |
Ciśnienie | 2.51 - 4.5 bar |
Podciśnienie | nie dotyczy |
Certyfikat PED | nie |
Rodzaj stali | AISI 304/304L, AISI 316/316L |
Materiał uszczelnienia | EPDM, NBR, Neopren, Silikon, Viton |
Materiał pokrętła | INOX |