Właz owalny nierdzewny C19
Właz owalny C19 o wymiarach 440x310 mm montuje się w boku autoklawów, jak również innych zbiorników ciśnieniowych ze stali nierdzewnej. Kształt włazu, a także jego wielkość oraz parametry ciśnieniowe pozwalają na zabudowę w zbiornikach o zróżnicowanej pojemności.
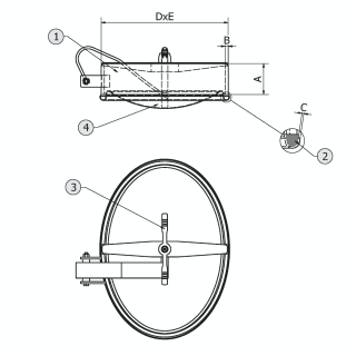
Pokrywę włazu wyposaża się w solidny zawias, dzięki czemu otwiera się ona sprawnie i bezpiecznie. Zawias ma również za zadanie stabilizację otwartej pokrywy, co w efekcie ułatwia wszelkie prace związane z obsługą bieżącą samego włazu jak i zbiornika.
Włazy owalne C19 - zastosowanie
Owalny właz C19 montuje się w autoklawach oraz różnego rodzaju urządzeniach procesowych. Głównymi obszarami zastosowania tego modelu włazu są:
- przemysł spożywczy i mleczarski,
- przemysł produkcji napojów i alkoholi,
- przetwórstwo warzyw i owoców.
Ze względu na swoją uniwersalną konstrukcję oraz szeroką gamę dostępnych materiałów uszczelnień, właz ten może być stosowany również w obszarach:
- biotechnologii,
- przemysłu chemicznego,
- przemysłu kosmetycznego oraz zbliżonych.

Model | A [mm] |
B [mm] |
C [mm] |
DxE [mm] |
MAX [bar] |
---|---|---|---|---|---|
C19/A | 55 | 8 | 2 | 456x326 | 2.0 |
C19/B | 80 | 8 | 2 | 456x326 | 2.0 |
Symbol | Element |
---|---|
1 | rama/kołnierz |
2 | uszczelka |
3 | pokrętło |
4 | pokrywa |
Parametry techniczne
Seria produktowa | Seria C |
---|---|
Wymiar | M (dłuższy bok włazu między 300-500 mm) |
Kształt | Włazy owalne |
Typ | Ciśnieniowe |
Wysokość kołnierza (w mm) | 55-80 mm |
Grubość ścianki kołnierza (w mm) | 8.0 mm |
Sposób otwierania | Do wewnątrz |
Sposób montażu | w poszyciu (na boku) zbiornika |
Ciśnienie | 0.5 - 2.5 bar |
Podciśnienie | nie dotyczy |
Certyfikat PED | nie |
Rodzaj stali | AISI 304/304L, AISI 316/316L |
Materiał uszczelnienia | EPDM, NBR, Silikon, Viton |
Materiał pokrętła | INOX |