Właz owalny nierdzewny E125
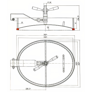
Właz owalny nierdzewny E125 to model, który montuje się w bocznym poszyciu zbiornika. Co istotne, pokrywa włazu otwiera się w kierunku wewnętrznej części zbiornika, a tym samym, po zamknięciu włazu i napełnieniu zbiornika, napór cieczy przyczynia się do jego uszczelnienia.
Pokrywa włazu umieszczona jest na zewnętrznym ramieniu wyposażonym w solidny zawias gwarantujący bezpieczne otwieranie oraz zamykanie włazu. Zaś stosunkowo duża szerokość otworu powstającego po otwarciu pokrywy włazu, umożliwia przedostanie się do wnętrza zbiornika w trakcie prac serwisowych, a także inspekcji zbiornika.
Zastosowanie włazu owalnego E125
Eliptyczny właz typu E125 stosuje się w szerokim spektrum zbiorników nierdzewnych, co niewątpliwie czyni go niezwykle przydatnym w przemyśle:
- spożywczym,
- mleczarskim,
- produkcji napojów i koncentratów,
- kosmetycznym,
- chemicznym i biotechnologicznym.
Ponadto właz typu E125 z powodzeniem wykorzystuje się w browarnictwie, gorzelnictwie, a także we wszelkiego typu aplikacjach wymagających zachowania podwyższonej odporności na korozję.
Dobierając właz do konkretnego środowiska pracy, należy zawsze uwzględnić właściwości użytych do jego konstrukcji materiałów oraz komponentów.

Model | H [mm] | S1 [mm] | S2 [mm] | MAX [bar] |
---|---|---|---|---|
E125 | 60 | 10 | 2.5 | 2.0 |
E125/A | 100 | 10 | 2.5 | 2.0 |
Parametry techniczne
Seria produktowa | Seria E |
---|---|
Wymiar | L (dłuższy bok włazu między 501-700 mm) |
Kształt | Włazy owalne |
Typ | Ciśnieniowe |
Wysokość kołnierza (w mm) | 60-100 mm |
Grubość ścianki kołnierza (w mm) | 10.0 mm |
Sposób otwierania | Do wewnątrz |
Branża | Browarnictwo, Chemia, Mleczarstwo, Produkcja spożywcza, Winiarstwo |
Sposób montażu | w poszyciu (na boku) zbiornika |
Ciśnienie | 0.5 - 2.5 bar |
Podciśnienie | nie dotyczy |
Certyfikat PED | nie |
Rodzaj stali | AISI 304/304L, AISI 316/316L |
Materiał uszczelnienia | EPDM, NBR, Silikon, Viton |
Materiał pokrętła | INOX |