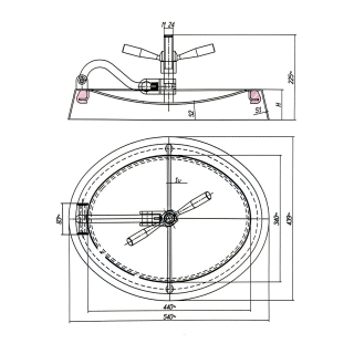
Właz owalny nierdzewny E126/1
Właz owalny nierdzewny E126/1 montuje się na zewnętrznym poszyciu zbiorników ciśnieniowych. Otwiera się on do wewnątrz zbiornika. Naturalnym środowiskiem pracy dla tego modelu są zbiorniki przeznaczone do przechowywania produktów spożywczych. Z tego też powodu, głównym obszarem jego zastosowania są zbiorniki używane w przemyśle produkcji żywności i napojów, ale również zbiorniki mleczarskie oraz wiele, wiele innych. Przetwórstwo warzyw i owoców, to także obszar, w którym właz owalny tego typu będzie doskonale pełnił swoje zadanie.
Charakterystyka włazu owalnego E126/1
Szerokość włazu owalnego E126/1 pozwala na w miarę swobodny dostęp do wnętrza zbiornika w trakcie prac serwisowych lub działań inspekcyjnych. Z dobrym skutkiem modelu tego używa się również w przemyśle kosmetycznym, biotechnologicznym oraz chemicznym. Generalnie nic nie stoi na przeszkodzie, aby był on wykorzystywany we wszelkiego typu aplikacjach, które wymagają zachowania wysokiej higieny i/lub podwyższonej odporności na korozję.
Dobierając właz do konkretnej aplikacji należy zawsze uwzględniać parametry i cechy użytych do jego konstrukcji materiałów oraz komponentów.

Model | H [mm] | S1 [mm] | S2 [mm] | MAX [bar] |
---|---|---|---|---|
E126/1 | 80 | 3 | 2.5 | 2.0 |
E126/1/A | 80 | 4 | 2.5 | 2.0 |
E126/1/X | 80 | 4 | 4 | 3.0 |
Parametry techniczne
Seria produktowa | Seria E |
---|---|
Wymiar | M (dłuższy bok włazu między 300-500 mm) |
Kształt | Włazy owalne |
Typ | Ciśnieniowe |
Wysokość kołnierza (w mm) | 80 mm |
Grubość ścianki kołnierza (w mm) | 3.0-4.0 mm |
Sposób otwierania | Do wewnątrz |
Sposób montażu | w poszyciu (na boku) zbiornika |
Ciśnienie | 0.5 - 2.5 bar, 2.51 - 4.5 bar |
Podciśnienie | nie dotyczy |
Certyfikat PED | nie |
Rodzaj stali | AISI 304/304L, AISI 316/316L |
Materiał uszczelnienia | EPDM, Silikon |
Materiał pokrętła | INOX |