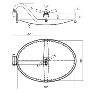
Właz owalny nierdzewny E128T
Właz owalny nierdzewny E128T do zabudowy w poszyciu bocznym zbiorników ciśnieniowych. Dobrej jakości materiały użyte do produkcji włazu oraz solidna budowa zapewniają długą żywotność. Model ten otwiera się do wewnątrz zbiornika. Zawias jak również ramię wspierające sprawiają, że pokrywa bezpiecznie utrzymuje się w położeniu otwartym.
Zastosowanie włazu owalnego E128T
We właz eliptyczny typu E128T wyposaża się zbiorniki ze stali nierdzewnej używane między innymi w przemyśle:
- spożywczym,
- mleczarskim,
- produkcji napojów i koncentratów,
- kosmetycznym,
- chemicznym i biotechnologicznym.
Ponadto właz tego typu z powodzeniem wykorzystuje się w browarnictwie, gorzelnictwie, jak również w wielu innych aplikacjach wymagających zachowania wysokiej higieny i/lub podwyższonej odporności na korozję.
Dobierając właz do konkretnego środowiska pracy, należy zawsze uwzględniać właściwości użytych do jego konstrukcji materiałów oraz komponentów.

Model | H [mm] | S1 [mm] | S2 [mm] | MAX [bar] |
---|---|---|---|---|
E128/T | 60 | 8 | 2 | 3.0 |
E128T/A | 80 | 8 | 2 | 3.0 |
E128T/X | 60 | 6 | 2 | 3.0 |
E128T/X/A | 80 | 6 | 2 | 3.0 |
Parametry techniczne
Seria produktowa | Seria E |
---|---|
Wymiar | M (dłuższy bok włazu między 300-500 mm) |
Kształt | Włazy owalne |
Typ | Ciśnieniowe |
Wysokość kołnierza (w mm) | 60-80 mm |
Grubość ścianki kołnierza (w mm) | 6.0-8.0 mm |
Sposób otwierania | Do wewnątrz |
Branża | Chemia, Mleczarstwo, Produkcja spożywcza, Winiarstwo |
Sposób montażu | w poszyciu (na boku) zbiornika |
Ciśnienie | 2.51 - 4.5 bar |
Podciśnienie | nie dotyczy |
Certyfikat PED | nie |
Rodzaj stali | AISI 304/304L, AISI 316/316L |
Materiał uszczelnienia | EPDM, Silikon |
Materiał pokrętła | INOX |