Właz owalny nierdzewny E128TS - charakterystyka
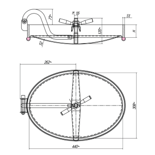
Właz owalny nierdzewny E128TS to model, który montuje się w bocznym poszyciu zbiornika. Co istotne, pokrywa włazu otwiera się w kierunku wewnętrznej części zbiornika, a tym samym, po zamknięciu włazu i napełnieniu zbiornika, napór cieczy przyczynia się do jego uszczelnienia.
Warto zwrócić uwagę na specjalne mocowania pokrywy na wysięgniku, które umożliwia jej obrót i wyjęcie na zewnątrz zbiornika w razie potrzeby. Jest to niewątpliwie zaleta, którą docenią pracownicy serwisowi podczas procesu mycia.
Stosunkowo duża szerokość otworu powstającego po otwarciu pokrywy włazu, umożliwia przedostanie się do wnętrza zbiornika w trakcie prac serwisowych, a także inspekcji zbiornika.
Zastosowanie włazu owalnego E128TS
Eliptyczny właz typu E128TS stosuje się w szerokim spektrum zbiorników nierdzewnych, co niewątpliwie czyni go niezwykle przydatnym w przemyśle:
- spożywczym,
- mleczarskim,
- produkcji napojów i koncentratów,
- kosmetycznym,
- chemicznym i biotechnologicznym.
Ponadto właz typu E128TS z powodzeniem wykorzystuje się w browarnictwie, gorzelnictwie, a także we wszelkiego typu aplikacjach wymagających zachowania wysokiej higieny i/lub podwyższonej odporności na korozję.
Dobierając właz do konkretnego środowiska pracy, należy zawsze uwzględnić właściwości użytych do jego konstrukcji materiałów oraz komponentów.

Model | H [mm] | S1 [mm] | S2 [mm] | MAX [bar] |
---|---|---|---|---|
E128/TS | 60 | 8 | 2 | 3.0 |
E128TS/A | 80 | 8 | 2 | 3.0 |
E128TS/X | 60 | 6 | 2 | 3.0 |
E128TS/X/A | 80 | 6 | 2 | 3.0 |
Parametry techniczne
Seria produktowa | Seria E |
---|---|
Wymiar | M (dłuższy bok włazu między 300-500 mm) |
Kształt | Włazy owalne |
Typ | Ciśnieniowe |
Wysokość kołnierza (w mm) | 60-80 mm |
Grubość ścianki kołnierza (w mm) | 6.0-8.0 mm |
Sposób otwierania | Do wewnątrz |
Branża | Chemia, Mleczarstwo, Produkcja spożywcza, Winiarstwo |
Sposób montażu | w poszyciu (na boku) zbiornika |
Ciśnienie | 2.51 - 4.5 bar |
Podciśnienie | nie dotyczy |
Certyfikat PED | nie |
Rodzaj stali | AISI 304/304L, AISI 316/316L |
Materiał uszczelnienia | EPDM, Silikon |
Materiał pokrętła | INOX |