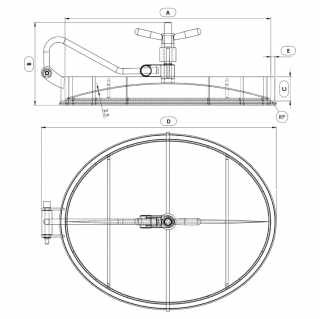
Właz owalny nierdzewny Boyer P11-410-510
Właz owalny P11-410-510, to duży właz ciśnieniowy, który otwiera się do wewnątrz. Pokrywę włazu P11-410-510 wyposaża się w solidny uchwyt i zawias, dzięki czemu otwieranie jest proste i bezpieczne. Zawias ma także za zadanie stabilizację otwartej pokrywy, co w efekcie ułatwia wszelkie prace związane z obsługą bieżącą.
Model ten zabudowuje się w bocznym poszyciu zbiorników ciśnieniowych ze stali nierdzewnej i kwasoodpornej.
Dobierając właz do konkretnej aplikacji, należy pamiętać, aby wziąć pod uwagę parametry użytych do jego konstrukcji materiałów i komponentów.
Właz owalny P11-410-510 - zastosowanie
Owalny właz P11-410-510 montuje się w autoklawach oraz higienicznych urządzeniach procesowych. Głównymi obszarami zastosowania tego modelu włazu są:
- przemysł spożywczy i mleczarski,
- przemysł produkcji napojów i alkoholi,
- przetwórstwo warzyw i owoców.
Ze względu na swoją uniwersalną konstrukcję oraz szeroką gamę dostępnych materiałów uszczelnień, właz ten może być stosowany również w obszarach:
- biotechnologii,
- przemysłu chemicznego,
- przemysłu kosmetycznego oraz zbliżonych.
O produktach Boyer
Produkty francuskiej fabryki Boyer gwarantują najwyższą jakość wykonania oraz długą żywotność. Dbałość o każdy detal w procesie produkcyjnym sprawia, że w efekcie włazy te charakteryzują się niezwykle dużą odpornością, komfortem użytkowania oraz estetycznym wyglądem.
Świetnie sprawdzają się wszędzie tam, gdzie konieczne jest zastosowanie produktu o najwyższych standardach. Z tego też powodu włazy marki Boyer są jednymi z najpopularniejszych w Europie.

Model | A [mm] | C [mm] | E [mm] | B [mm] | D [mm] | MAX [bar] | CODAP/PED [bar] | Waga [kg] |
---|---|---|---|---|---|---|---|---|
P11-410-510 | 410x510 | 60 | 10 | 192 | 577 | 2.2 | 1.2 | 19.0 |
Parametry techniczne
Seria produktowa | Boyer |
---|---|
Wymiar | L (dłuższy bok włazu między 501-700 mm) |
Kształt | Włazy owalne |
Typ | Ciśnieniowe |
Wysokość kołnierza (w mm) | 60 mm |
Grubość ścianki kołnierza (w mm) | 10.0 mm |
Sposób otwierania | Do wewnątrz |
Sposób montażu | w poszyciu (na boku) zbiornika |
Ciśnienie | 0.5 - 2.5 bar |
Podciśnienie | nie dotyczy |
Certyfikat PED | tak |
Rodzaj stali | AISI 304/304L, AISI 316/316L |
Materiał uszczelnienia | EPDM, NBR, Neopren, Silikon, Silikon (high temperature - do 250°C), Viton, Inny |
Materiał pokrętła | INOX |