Właz prostokątny nierdzewny Boyer P13-105
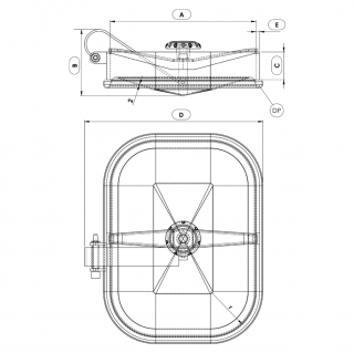
Właz prostokątny Boyer P13-105 montuje się w zbiornikach ciśnieniowych i bezciśnieniowych ze stali nierdzewnej. Pokrywę włazu mocuje się na odpowiednio wyprofilowanym zawiasie zewnętrznym. Centralny docisk z jednym pokrętłem pozwala na szybkie zamknięcie pokrywy. Zawias umożliwia otwarcie pokrywy w kierunku wnętrza zbiornika, a także stabilizuje ją w pozycji otwartej. Model ten zabudowuje się w bocznym poszyciu zbiorników. Elementy składowe włazu produkuje się ze stali nierdzewnych w gatunkach AISI 304L i/lub AISI 316L.
Prostokątny właz nierdzewny Boyer P13-105 z powodzeniem wykorzystuje się we wszelkiego typu aplikacjach wymagających zachowania wysokiej higieny i/lub podwyższonej odporności na korozję. Istnieje możliwość wykonania specjalnej wersji włazu do użycia w strefach zagrożonych wybuchem - ATEX dla urządzeń nieelektrycznych.
Właz prostokątny P13-105 - zastosowanie
Prostokątny włazy Boyer P13-105 montuje się w różnego rodzaju ciśnieniowych zbiornikach i urządzeniach procesowych. Głównymi obszarami zastosowania tego modelu włazu są:
- przemysł spożywczy i mleczarski,
- przemysł produkcji napojów i alkoholi,
- przetwórstwo warzyw i owoców.
Ze względu na swoją uniwersalną konstrukcję oraz szeroką gamę dostępnych materiałów uszczelnień, właz ten może być stosowany również w obszarach:
- biotechnologii,
- przemysłu chemicznego i petrochemicznego,
- przemysłu kosmetycznego oraz zbliżonych.
O produktach Boyer
Produkty francuskiej fabryki Boyer gwarantują najwyższą jakość wykonania oraz długą żywotność. Dbałość o każdy detal w procesie produkcyjnym sprawia, że w efekcie włazy te charakteryzują się niezwykle dużą odpornością, komfortem użytkowania oraz estetycznym wyglądem.
Świetnie sprawdzają się wszędzie tam, gdzie konieczne jest zastosowanie produktu o najwyższych standardach. Z tego też powodu włazy marki Boyer są jednymi z najpopularniejszych w Europie.

Model | A [mm] | C [mm] | E [mm] | B [mm] | D [mm] | MAX [bar] | Waga [kg] |
---|---|---|---|---|---|---|---|
P13-105 | 314x424 | 60 | 8 | 138 | 385 | 1.3 | 9.0 |
Parametry techniczne
Seria produktowa | Boyer |
---|---|
Wymiar | M (dłuższy bok włazu między 300-500 mm) |
Kształt | Włazy prostokątne |
Typ | Ciśnieniowe |
Wysokość kołnierza (w mm) | 60 mm |
Grubość ścianki kołnierza (w mm) | 8.0 mm |
Sposób otwierania | Do wewnątrz |
Sposób montażu | w poszyciu (na boku) zbiornika |
Ciśnienie | 0.5 - 2.5 bar |
Podciśnienie | nie dotyczy |
Certyfikat PED | nie |
Rodzaj stali | AISI 304/304L, AISI 316/316L |
Materiał uszczelnienia | EPDM, NBR, Neopren, Silikon, Silikon (high temperature - do 250°C), Viton, Inny |
Materiał pokrętła | Tworzywo sztuczne, INOX, Inny |