Właz prostokątny nierdzewny Boyer seria P13-409
Właz prostokątny Boyer seria P13-409 ze stali nierdzewnej produkuje się w dwóch wersjach:
- pionowej (P13-409),
- poziomej (P13-410).
Model ten przeznaczony jest do montażu w różnego rodzaju zbiornikach ciśnieniowych oraz urządzeniach procesowych. Pokrywa włazu zamocowana jest na odpowiednio wyprofilowanym zawiasie zewnętrznym. Podwójny docisk zapewnia lepsze uszczelnienie pokrywy. Zawias umożliwia otwarcie pokrywy w kierunku wnętrza zbiornika, a także stabilizuje ją w pozycji otwartej.
Model P13-409 i P13-410 ten zabudowuje się w bocznym poszyciu zbiorników. Podstawowe elementy składowe włazu produkuje się ze stali nierdzewnej AISI 316L.
Prostokątne włazy nierdzewne Boyer P13-409 i P13-410 z powodzeniem wykorzystuje się we wszelkiego typu aplikacjach wymagających zachowania wysokiej higieny i/lub podwyższonej odporności na korozję. Istnieje możliwość wykonania specjalnej wersji włazu do użycia w strefach zagrożonych wybuchem - ATEX dla urządzeń nieelektrycznych.
Właz prostokątny P13-409 - zastosowanie
Prostokątny włazy Boyer P13-409 montuje się w różnego rodzaju ciśnieniowych zbiornikach i urządzeniach procesowych. Głównymi obszarami zastosowania tego modelu włazu są:
- przemysł spożywczy i mleczarski,
- przemysł produkcji napojów i alkoholi,
- przetwórstwo warzyw i owoców.
Ze względu na swoją uniwersalną konstrukcję oraz szeroką gamę dostępnych materiałów uszczelnień, właz ten może być stosowany również w obszarach:
- biotechnologii,
- przemysłu chemicznego i petrochemicznego,
- przemysłu kosmetycznego oraz zbliżonych.
O produktach Boyer
Produkty francuskiej fabryki Boyer gwarantują najwyższą jakość wykonania oraz długą żywotność. Dbałość o każdy detal w procesie produkcyjnym sprawia, że w efekcie włazy te charakteryzują się niezwykle dużą odpornością, komfortem użytkowania oraz estetycznym wyglądem.
Świetnie sprawdzają się wszędzie tam, gdzie konieczne jest zastosowanie produktu o najwyższych standardach. Z tego też powodu włazy marki Boyer są jednymi z najpopularniejszych w Europie.

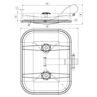
Model | A [mm] | C [mm] | E [mm] | B [mm] | D [mm] | MAX [bar] | Waga [kg] |
---|---|---|---|---|---|---|---|
P13-409 | 410x534 | 60 | 8 | 141 | 530 | 1.0 | 16.0 |
P13-410 | 534x410 | 60 | 8 | 155 | 613 | 1.0 | 13.0 |
Parametry techniczne
Seria produktowa | Boyer |
---|---|
Wymiar | L (dłuższy bok włazu między 501-700 mm) |
Kształt | Włazy prostokątne |
Typ | Ciśnieniowe |
Wysokość kołnierza (w mm) | 60 mm |
Grubość ścianki kołnierza (w mm) | 8.0 mm |
Sposób otwierania | Do wewnątrz |
Sposób montażu | w poszyciu (na boku) zbiornika |
Ciśnienie | 0.5 - 2.5 bar |
Podciśnienie | nie dotyczy |
Certyfikat PED | nie |
Rodzaj stali | AISI 316/316L |
Materiał uszczelnienia | EPDM, NBR, Neopren, Silikon, Silikon (high temperature - do 250°C), Viton, Inny |
Materiał pokrętła | Tworzywo sztuczne, INOX, Inny |